Санкт-Петербург
Важно!

В других городах официальных офисов компании ВИРМАК нет!

(есть случаи работы под нашим брендом непорядочных конкурентов)

пн-пт
9:00 до 18

заказать звонок
Санкт-Петербург
Важно!

В других городах официальных офисов компании ВИРМАК нет!

(есть случаи работы под нашим брендом непорядочных конкурентов)

заказать звонок

пн-пт
9:00 до 18

Двухэтажный дом, Республика Крым, Симферопольский район, с. Лекарственное


Индивидуальный жилой дом с мансардой по адресу: Республика Крым, Симферопольский район

с. Лекарственное, ул. Садовая

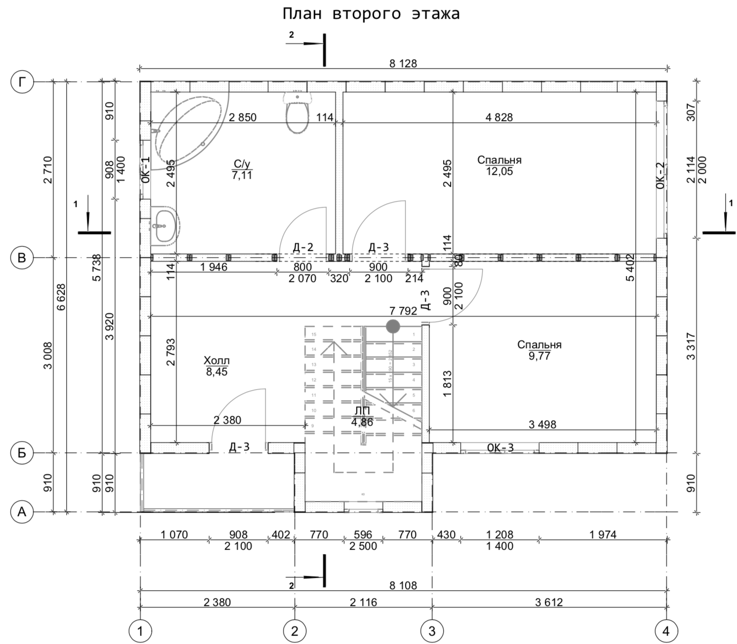
Общая площадь: 85,17 м2

Площадь застройки: 48,58 м2

Этажность: 2 этажа

Общая площадь жилых помещений: 45,99 м2

Строительный объем: 290,03 м3

Площадь первого этажа: 53 м2

Площадь второго этажа: 53 м2

Тип фундамента: буроналивные сваи

Тип панелей: СИП панели из ЦСП с ИЗОВЕР Сендвич Лайф


Уважаемые заказчики!

Мы с радостью предоставим Вам готовые проекты по лучшим ценам!

С готовым проектом Вы сможете:

подать документы для получения разрешения на строительство.

самостоятельно начать строительство или приобрести
готовый домокомплект

Гарантия:

По нашим проектам мы уже вели строительство, а значит,
значительно снижен риск Вашего самостоятельного строительства.

Самая лучшая цена за проект!!!

Внимание!

Для проектирования и строительства зданий из кирпича, монолита, разных видов блока,
просим Вас посетить наш сайт: 100proekt.ru

Бесплатный расчёт проекта

Прикрепить файл
Файл не выбран
×

Заказать домокомплект

Прикрепить файл
Файл не выбран
×

Заказать обратный звонок

×

Заказать проект

×

Заказать проект

×

РАСЧИТАТЬ СТОИМОСТЬ БДК

×

Рассчитать стоимость панелей

×

Заявка на кредит

×

Заявка на кредит Почта Банк

×

1. Кровля и кровельное покрытие

Кровля может быть построена из бруса 150х50мм или SIP панелей. В качестве кровельного материала можно использовать: металлочерепицу, битумную и керамическую черепицу. Также производим кровельные шовные сэндвич-панели.

2. Двутавровый потолок

Потолок состоит из двутавровых балок 250 мм, а шаг монтажа балок - 600 мм.

3. SIP Стена

Трехслойная внешняя стеновая панель состоит из:

• два листа цементно-стружечной плиты 12 мм с обеих сторон

• внутренний теплоизоляционный слой с толщиной 148 мм двух типов: полистирол ПСБ-25 (плотностью 25 кг/м3) или минеральная вата ISOVER (плотностью 64 кг/м3).

4. Ростверк

Ростверк изготовлен из калиброванного клееного бруса и защищен снаружи цементно-стружечной плитой